DHC-B02 (Burker Turk)
![]() |
||||||
|
|
||||||
|
||||||
|
- Blood analysis(Hematology): Blood cell counting - Cell culture: Cell concentration measurement, Cell viability test - Microbiology : Fungal spores counting |
||||||
|
||||||
|
||||||
|
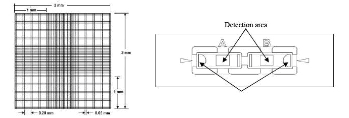
The full grid on a hemocytometer contains 9 squares, each of which is 1 micro meter (mm) square. Large cells are counted using the four large corner squares (and the middle one). For a dense suspension of small calls, the four 1/25 sq. mm corners plus the middle square and the central square are used. It consists of 9 large squares, each measuring 1 x 1 mm, with the depth of chamber of 0.1 mm. Each square has a total volume of 0.1 mm3 or 10-4cm3. The central square is divided into 25 small squares with triple lines and four corner squares divided into 16 small squares. Each large square has a surface area of 1.0mm2, and a chamber depth of 0.1mm. There are 1000 mm3 per ml, each large square represents a volume of 0.0001ml, that equates to 1/ 0.0001ml = 10,000 = (104). The volume factor is 10,000. |
||||||
|
|
||||||
|
Cells per ml = Average count per square x dilution factor x 10,000 |



GENTAUR Europe BVBA
GENTAUR France SARL
GENTAUR GmbH
GENTAUR Ltd.
GENTAUR Poland Sp. z o.o.
GENTAUR Nederland BV
GENTAUR SRL IVA IT03841300167
GENTAUR Spain
GENTAUR BULGARIA